2022-09-14 17:42:53
樂山某工業基地供水廠自控系統案例

項目概況:
本工程為樂山某工業基地工業供水廠,一期規模為3.8萬m3/d,二期規模為8萬m3/d

自控設計標準規范
《供配電系統設計規范》GB50052-2009。
《小城鎮污水處理工程建設標準》建標148-2010
《城鎮排水系統電氣與自動化工程技術規程》CJJ/T120--2018。
《可編程儀器的數字接口》ANS1488。

自控架構圖
該工業基地供水廠自控系統設計選用基于PLC的集散控制系統。PLC控制器支持工業以太網,網絡拓撲結構為光纖環網型。全廠生產過程自動化系統分為三級:信息 層——廠級監控中心;控制層——車間及現場控制站;設備層——現場設備控制單元。

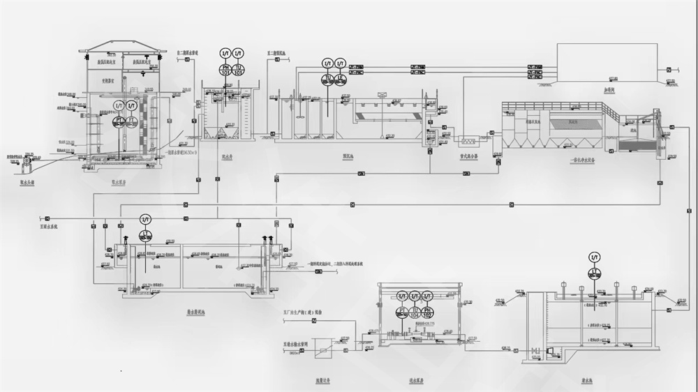
供水廠自控工藝流程圖
水廠自控系統——信息層

中控室顯示屏
上位機界面圖

上位機界面圖
系統信息層配置以太網交換機、生產管理計算機終端和打印機、UPS、辦公管理軟件及防病毒軟件等。系統通過中央監控計算機與設備監控自動化系統網絡相連,實現生產過程的信息共享。通過網絡管理,全廠管理計算機可以在授權下實時瀏覽全廠生產過程設備運行狀況和各處生產現場的實時場景。手機APP也可以登錄系統,實時實現廠區設備的啟、停、故障,數據查看等功能。通信系統設備滿足日常生產管理和應急通信的需要并留有向上一級接處警中心報警的通信接口。
水廠控制系統——控制層

PLC1#站

PLC2#控制站

PLC現場顯示界面
供水廠控制系統在生產現場設置2個現場PLC控制柜,分別位于變配電間,取水泵房。1#PLC子站負責范圍:變配電間、配水井、預沉池、一體化凈水設備、清水池.排水排泥池、送水泵房、加藥間。2#PLC子站負責范圍:取水泵房。PLC控制站實現設備間的聯動邏輯控制,根據工藝要求實現設備的過程控制和反饋控制。現場設備控制單元實現各個單體構筑物或成套設備現場參數采集、顯示、遠傳等功能。
在線儀表——設備層

供水廠送水泵房

現場儀表箱

小口徑電磁流量計安裝現場

大口徑電磁流量計安裝現場

壓力變送器安裝現場

儀表箱安裝現場

儀表箱安裝現場

為了及時準確地掌握進出水質及其變化過程,監測和控制污水廠水處理流程的各個生產環節,改善操作環境,提高管理水平,全廠儀表均遵循:
●能準確、全面的反映水廠水質參數和水量情況。
●能準確、全面的反映水廠的處理效果。
●檢測參與控制的各種水質參數和物理參數
●流量計、液位計等儀表選擇分體式,傳感器就地安裝,變送器安裝在防日曬雨淋的位置,且配置永浩自控專業儀表箱。
設備層—視頻監控

安防系統對生產現場設備工況和廠內重要場所進行全天候自動監視,在異常情況下自動報警和自動錄像.實時數據、設備工況自動進入全廠的管理主服務器。管理計算機網絡通過綜合布線采用高效快捷以太網技術,為全廠備建了一個高速的信息交換平臺 ,使全廠的生產過程信息。管理信息能夠快速到達全廠各個信息點終端,使生產操作及管理人員能在短的時間內掌握全廠的生產情況。在中控室通過網絡硬盤錄像機(NVR)存儲單體工況圖像;通過電視墻呈現工況視頻信息,便于值班人員及時掌握工藝設備的運行狀況。實現了遠程了解工藝設備運行狀況的需要。